Information
お知らせ
2021/09/01
実績紹介
Ciatec Information
2021年9月 No.132
■No.132 「株式会社住化分析センター LVA-04分析新棟 建設工事」
お取引先様 各位
シアテック設計・監理実績のご案内
『株式会社住化分析センター LVA-04分析新棟 建設工事』
皆様におかれましては、ますますご発展のこととお喜び申し上げます。日頃は格別のご愛願を賜り、ありがたく厚く御礼申し上げます。
今回は弊社の設計・監理により2021年5月に竣工しました『株式会社住化分析センター LVA-04分析新棟 建設工事』についてご紹介させていただきます。
住化分析センター殿ではマテリアルサイエンスおよびライフサイエンスの両分野において最先端の分析技術を獲得し、より高品質で信頼性の高いサービスを提供し続けるため、住友化学大阪工場内に新たな分析拠点となる大阪ラボラトリー分析4号棟を建設することになりました。
【設計上の留意点】
- ラボの拠点の顔となるような空間を演出するために玄関、風除室には重厚な印象を与える仕上材を選定(裏面※1)
- 実験室の清浄度に応じた適切な空調システムと建築計画を提案
- メタルフリー対応の実験室における最適な内装材の検討
※メタルフリー(ノンメタル)実験室とは:
室内の分析機器・配管材料から微量金属イオンが溶出すると腐食などの不具合および分析結果に影響を及ぼす可能性があります。分析室空間内の金属部分の暴露を極力抑えて、ノンメタル空間を目指したものです。(裏面※2) - 実験室の機能性と配管や機器、ダクトのメンテナンス性に配慮した階高を計画(裏面※3)
- 1階の床レベルはゲリラ豪雨による冠水対策として敷地周辺地盤より1m高く計画
【工事監理面での取組】
- 大阪工場構内の周辺建屋は稼動していたため、第三者への安全確保を確実に行うための関係部署との調整を密に実施
- メタルフリー対応など実験室に要求される仕様について確実に施工されているか詳細部まで監理を実施
【 建家概要 】
| 建設場所 | 住友化学㈱大阪工場 |
| 構造規模 | 鉄骨造 地上6階建 |
| 延床面積 | 3,844.76㎡ |
| 建築面積 | 752.91㎡ |
| 階 構 成 | 1F~5F 事務所・研究所 6F 機械室・電気室 付帯棟 危険物屋内貯蔵所 |
| 工 期 | 2019年7月~2021年5月 |

弊社は、住友化学グループの土建設計のエンジニアリング部門として使命と責務をもって、お客様の要求事項を満足させる設計はもちろんのこと、経済的なご提案も行ってまいります。
今後とも最適な技術とこれまでに蓄積したノウハウの活用により誠意をもってお客様の想いを形にするお手伝いを行ってまいります。
【 株式会社住化分析センター LVA-04分析新棟 建設工事 補足資料 】
< 内 観 >

- 玄関となる、風除室は重厚な印象を与える仕上材を選定し玄関ホールも風除室からつながる重厚な雰囲気を持たせた壁の色合いと研究所の清潔感をイメージさせる白系の色合いを採用することで変化のある雰囲気を演出しました。
| (風除室) | 床:磁器質600□タイル 壁:硬質塩ビタックシート 天井:アルミスパンドレル |
| (玄関ホール) | 床:磁器質600□タイル 壁:硬質塩ビタックシート 天井:ビニルクロス |

- メタルフリ―対応により仕上表面に金属が露出する部分は全て塗装にて被覆 (※2)

- 上部配管スペースはメンテンナンスにおける作業性を考慮し十分な階高を確保 (※3)
※手渡し不可【株式会社住化分析センター LVA-04分析新棟 建設工事 補足資料】
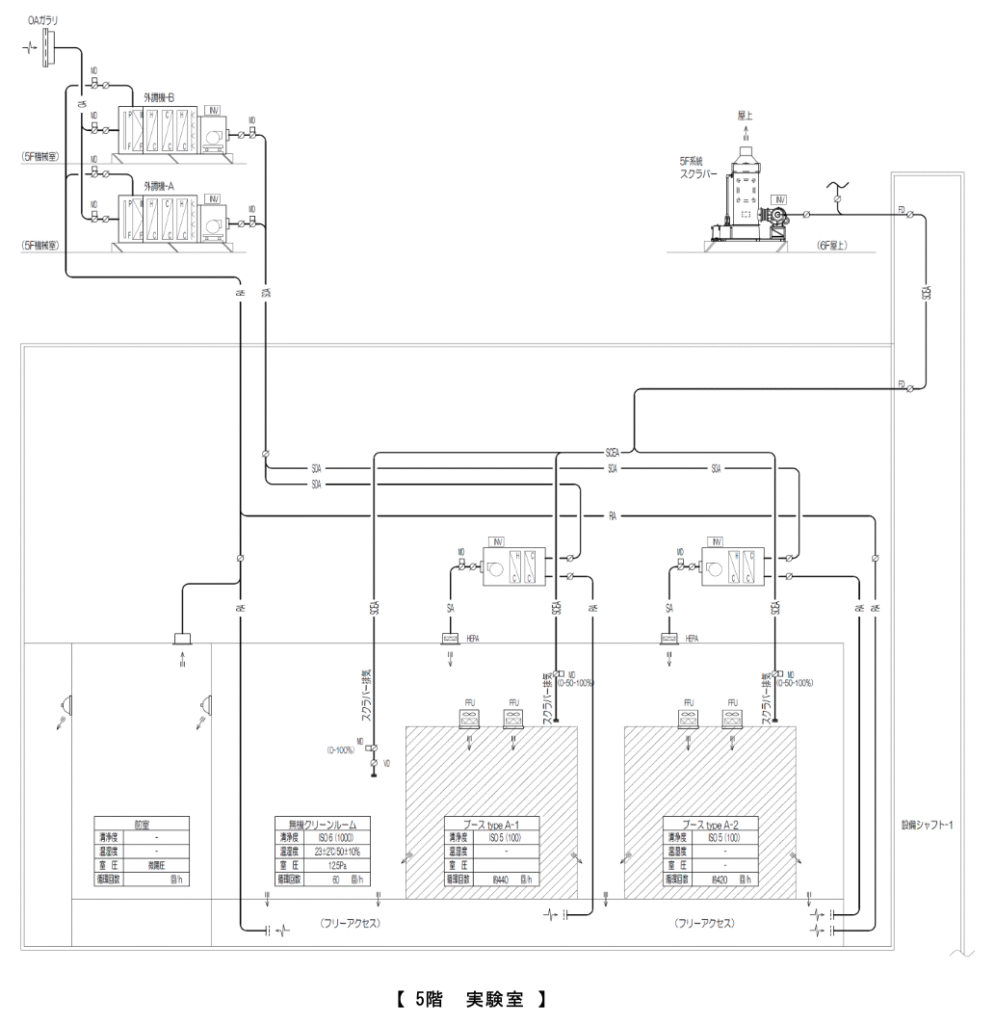
<実験室(クリーンルーム)概要図>

- 5階実験室では、部屋全体の清浄度をISO6(1000)として、さらに清浄度が求められる部分には、クリーンブースを設け、清浄度ISO5(100)に対応する空調システムとして計画した。
※PDFファイルが別ウインドウで開きます。
